[设置主页]
[收藏本站]
微信网页版

北京华瑞志诚能源科技有限公司   

Bei Jing Hua Rui Zhi Cheng Energy Technology Co,.Ltd

拼搏、创新 、守正、承担

今天是:2026年03月05日,本公司专注智能机房、能源物联网研发及标准化售后服务体系建设的全方位服务。
联系人:董经理
销售电话:010-57528068
销售电话:13426054093
传真:010-57528068
地址:北京市昌平区科技园区富康路18号科研楼4层417室
邮编:102200
北京华瑞志诚能源科技有限公司
E-Mail:
13426054093@126.com




      微信公众号

音诺伟森锅炉常用系统流程图


冷凝锅炉

   冷凝锅炉就是利用高效的冷凝余热回收装置来吸收锅炉排出的高温烟气中的显热和水蒸汽凝结所释放的潜热,以达到提高锅炉热效率的目的.
   效率计算:

   冷凝锅炉能够回收烟气中水蒸汽潜热的多少与锅炉所使用的燃料种类和锅炉的出水温度有关。当无冷凝回收装置的普通锅炉燃烧天然气时,如果锅炉的热效率按燃料低位发热量计算为90%时,采用冷凝式余热回收装置后,排烟温度降到30~50℃,其热效率则会提高到107%左右。在燃料的耗量不变的情况下,供热系统的回水越低,冷凝式余热回收装置回收的热量就越多,锅炉的热效率就越高。

   对于冬季使用锅炉提供热能的水环式水源空调,其供热热水温度为25℃,采用冷凝锅炉比普通热水锅炉节约相当多的运行费用。以100万kcal/h锅炉为例,普通锅炉天然气耗量为126.5Nm3/h(天然气低位热值为8500kcal/Nm3),冷凝锅炉天然气耗量为110Nm3/h,如果锅炉每天运转10个小时,采暖周期为100天的话,采用冷凝锅炉每年可节约天然气16500 Nm3,以天然气价1.8元计,每年节约运行费用2.97万元。
   燃料燃烧会产生大量的CO2、NOX和少量的SO2,这些物质排放到大气,会引起温室效应和酸雨的产生,对环境产生破坏作用。冷凝锅炉在冷凝烟气中水蒸汽的同时,可以方便地去除烟气中的这些有害物质,因此,采用冷凝锅炉对保护环境也具有重要的意义。
   由于冷凝的作用排烟温度过低,如果低于临界点会产生冷凝水,从而产生酸性排放物,对锅炉换热体产生腐蚀,因此要控制排烟温度。
   普通锅炉燃烧时的烟气温度很高,约为130度,带走了很多热量,冷凝燃烧技术将烟气温度降到50度,将部分烟气冷凝成液态,吸收了烟气从气体变为液体的热量,也就是回收了原来被烟气带走的热量,所以热效率比普通锅炉高许多。

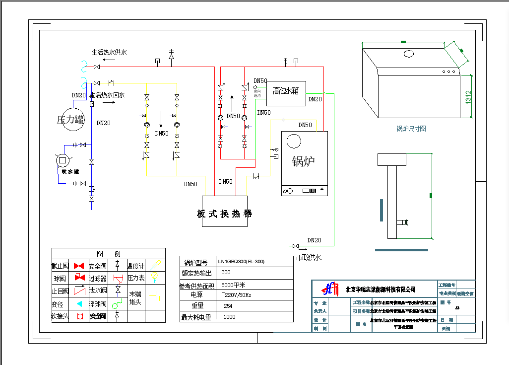
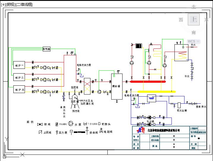
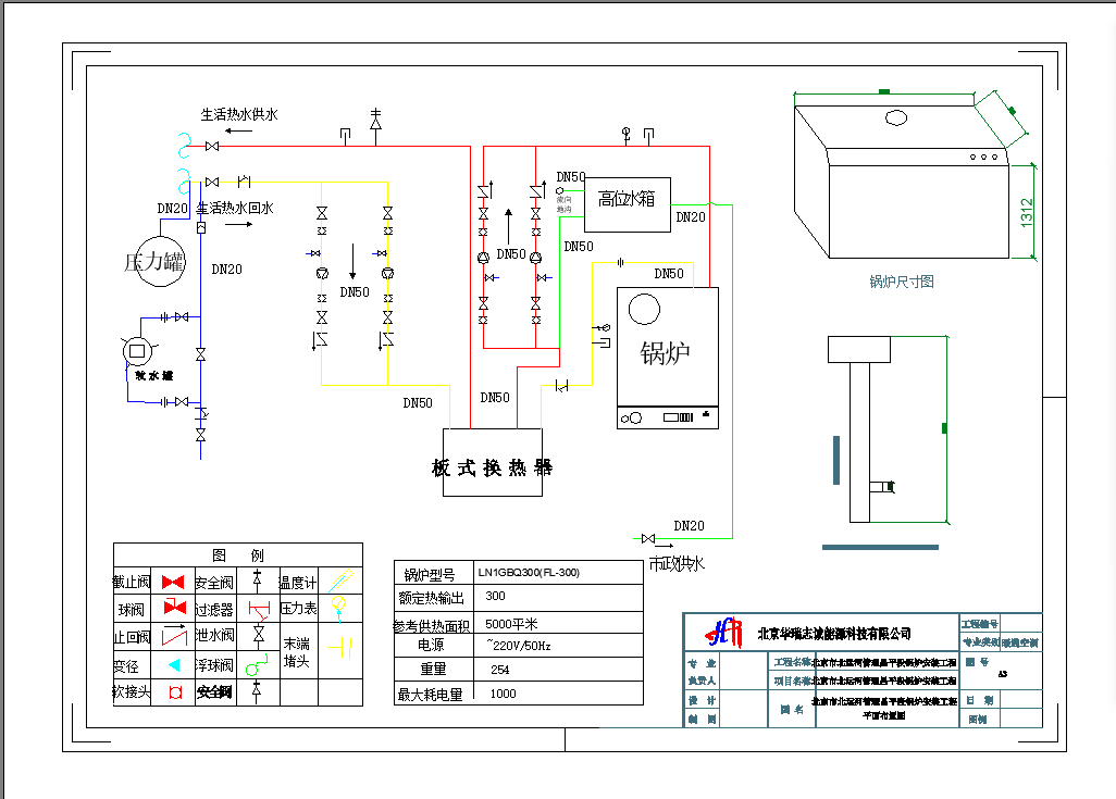
锅炉系统流程图:

水务局秦屯段管理处锅炉安装工程竣工图:


十三陵水库应急补水二级泵站锅炉安装工程竣工图:


北京市北运河管理昌平段锅炉安装工程:


单台168Kw锅炉安装工程:













.. ...